Universal Fitting T
Overview 
A conduit fitting for attachment to at least one conduit. The fitting comprising a generally rectangular, generally elongated unitary body having a backwall, opposed endwalls, and two front cornerwalls. The body defining elongated openings on three sides and an interior compartment. The endwalls each having an outwardly extending hollow shank, each shank defining an interior space which freely communicates with the interior compartment and each shank including attachment means for attaching to an end of a conduit.

Technical Specification
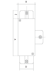
Cross Section View
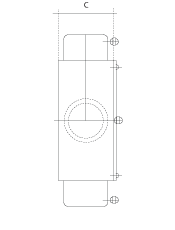
Lateral Section View
Size and Dimension
| Type | A | B | C | D | ℓ | Weight (Kg) |
| E-19 | 90 | 33 | 35 | 28 | 18 | 0.36 |
| E-25 | 95 | 40 | 42 | 35 | 20 | 0.50 |
| E-31 | 110 | 45 | 47 | 42 | 20 | 0.67 |
| E-39 | 120 | 60 | 62 | 50 | 25 | 1.2 |
| E-51 | 120 | 60 | 63 | 60 | 25 | 2.0 |
| E-63 | 165 | 75 | 78 | 72 | 25 | 2.1 |

Material Option
Steel
For value and durability purposes, an steel based material will meet up your demand. We provide a whole steel based material coated with highly preassurized galvanized system
Aluminium
For lightweight and durability purposes, an aluminium based material will meet up your demand. Material based on your needs and purposes. For specific design and planning that requires precise calculationProduct Feature
High Corrosion Resistance
Pure zinc coating on the exterior wall and stoved epoxy resin finish on the inside protects white conduit from corrosion, even by harsh chemicals and sea air.
Easy and Fast Installation
Precise, sharp threads cut by automated machinery mean fast and easy installation. Precise thread also makes our conduit virtually moisture-tight.
Uniform Quality
Flat steel is rolled, zinc - coated and threaded in one continuous automated process for uniform high quality.