Switch Box for 1 Switch
> Box & Cover > Product
Overview 
A conduit bushing for attachment to the end of a conduit for electrical wiring is made up of a round collar-like member of electrical insulating material divided diametrically into two halves hinged together with an integral hinge having a lock for locking the halves together. The bushing has an inwardly directed flange at one end which protects the insulation of the wiring. The bushing can be installed around the wire after the wire has been installed.

Technical Specification
Cross Section View
Lateral Section View
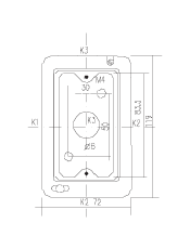
Size and Dimension
| Type | K1 | K2 | K3 | Weight (Kg) |
| E-19 | 16 | 22 | 16 | 0.35 |
| E-25 | 16 | 22 | 16 | 0.35 |
Product Feature
High Corrosion Resistance
Pure zinc coating on the exterior wall and stoved epoxy resin finish on the inside protects white conduit from corrosion, even by harsh chemicals and sea air.
Easy and Fast Installation
Precise, sharp threads cut by automated machinery mean fast and easy installation. Precise thread also makes our conduit virtually moisture-tight.
Uniform Quality
Flat steel is rolled, zinc - coated and threaded in one continuous automated process for uniform high quality.